1/2.8"IMX307 F2.4 TTL14.3 HFOV 61 degree M12 Lens
$5.00
Availability:
In stock
Out of stock
Variations
Product Description
Product Description






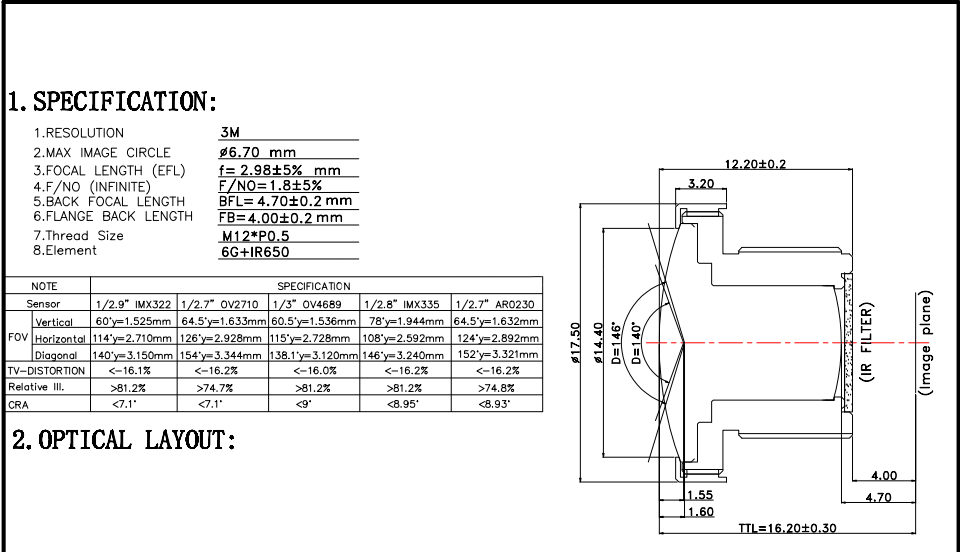
Specification
| Focal Length | 3.05mm |
| F/No | 2.0 |
| HFOV | 115 |
| Distortion | -16.2% Low Distortion |
| Mount | M12*0.5P |
| TTL | 16.2 |
| Resolution | 3MP |