1/4" MI500 4MP TTL15.61 Hd F2.8 M12 for Smart home lens
$5.50
Availability:
In stock
Out of stock
Variations
Product Description
Product Description

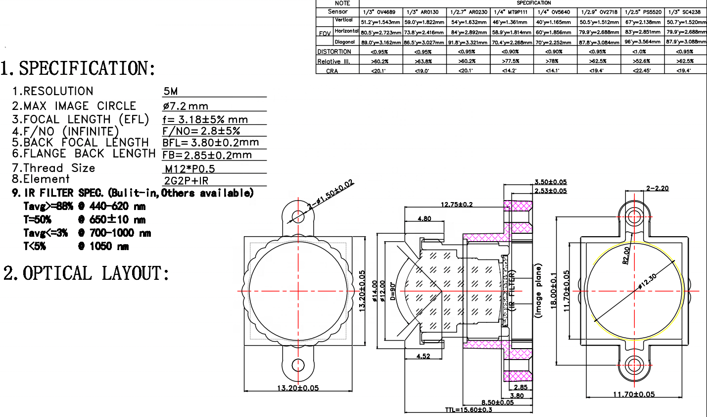
Specification
| Place of Origin | China Guangdong |
| EFL | 3.18mm |
| Resolution | 4MP |
| Diameter | Φ14 |
| F/NO. | 2.8 |
