6G m12 1/2.7" F2 HFOV 148 degree for Car cam Lens
$5.00
Availability:
In stock
Out of stock
Variations
Product Description
Product Description




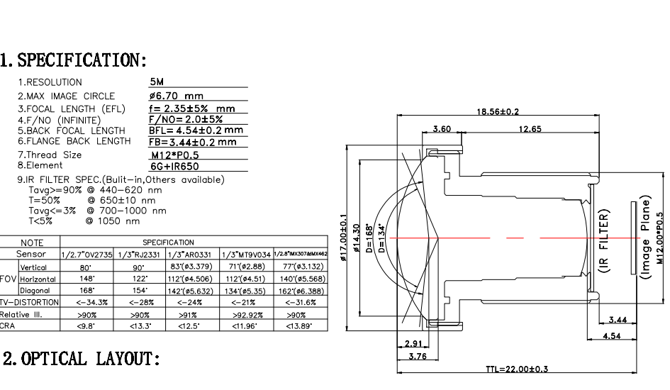
Specification
| Focal Length | 2.35mm |
| F/No | 2.0 |
| HFOV | 148 |
| Distortion | -34.3% Low Distortion |
| 22Mount | M12* P0.5 |
| TTL | 9.74 |
| Resolution | 5MP |