IP68 1/2.7" F2.5 2.9mm M12 S Mount Automotive Rear View CCTV Car Board Lens
$4.60
Availability:
In stock
Out of stock
Variations
Product Description
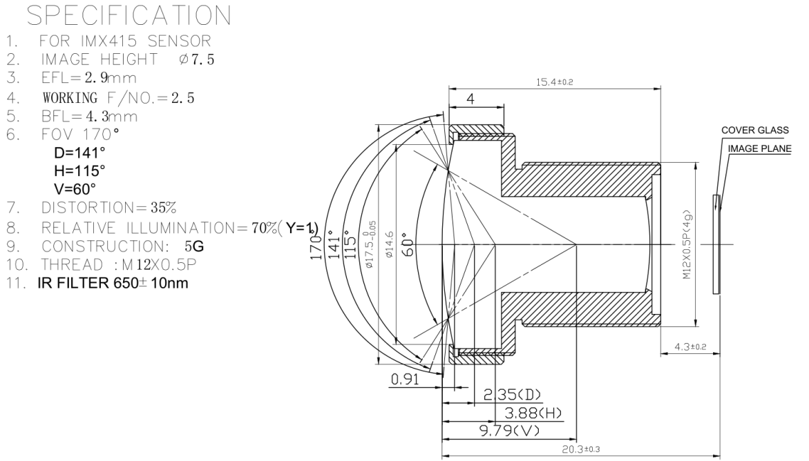
Product Paramenters
| Model Number | LM9122 |
| Effective Focal Length=EFL | 2.9mm |
| Format | 1/2.7" |
| F/NO | 2.5 |
| FOV | D141°xH115°xV60° |
| DISTORTION | 35% |
Products Description
